Schuifdeur Junior 80B (Mod) lange bout

artikelnummer:
E116034
  • Aanbod en advies op maat van de professional
  • Kwaliteit en uitgebreide kennis van topmerken
  • Uitstekende dienst na verkoop

Omschrijving

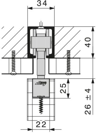
  • schuifdeurbeslag voor binnendeuren in hout tot 80kg - versie met lange stift
  • te gebruiken in situaties waarbij een minimale inbouwhoogte vereist is
  • de ophanging voor de loopwagens wordt in het deurblad ingefreesd
  • geluidsarm en zeer soepel lopend systeem
  • in hoogte regelbaar (4mm)
  • OPGELET GEWIJZIGDE VERSIE : sommige details bij de samenstelling en montage van dit systeem werden gewijzigd :
    • samenstelling en montage van het draagprofiel met ophanging is vereenvoudigd : eerst wordt de loopwagen bevestigd aan de ophanging. Vervolgens wordt dit geheel in het draagprofiel geschoven en vastgeklikt
    • de deurstopper is anders opgebouwd en kan nu ook zonder demontage bijgesteld worden

Specificaties

Eindstoppers
Met 2 standaardstoppers
Gewichtsklasse
80kg
Plaatsingsmethode
Onzichtbare ophangingselementen
Referentie leverancier
24851
Kleur (looprail)
Zwart, F1 natuurkleurig geanodiseerd
Plaats deur na openschuiven
Deurblad standaard voor de wand (plafondbevestiging)
Indien je hulp nodig hebt of iets niet vindt, geef ons een seintje!

Downloads

Registreer of login om toegang te krijgen tot deze downloads.
Zoekend?

Niet gevonden wat je zocht?

Niet elk product of merk zit in ons online aanbod. Geef gerust door naar wat je op zoek bent en we helpen je verder om het zo snel mogelijk jouw richting uit te krijgen.